Vòi chậu nóng lạnh Toto TLS01304V
SKU:TLS01304VTrả góp 0đ
-27%
2,650,000₫
3,630,000₫
Mô tả sản phẩm
TOTO TLS01304V là mẫu vòi lavabo nóng lạnh gật gù cổ cao thuộc dòng LB Series, nổi bật với thiết kế thanh lịch, chất liệu cao cấp và khả năng vận hành mượt mà. Đây là lựa chọn lý tưởng cho các phòng tắm hiện đại sử dụng chậu đặt bàn hoặc bán âm bàn đá.
Thông số kỹ thuật vòi chậu nóng lạnh Toto TLS01304V
- Áp lực nước: 0.05MPa ~ 0.75MPa
- Lớp mạ: Nickel Chrome
- Xuất xứ: Việt Nam
- Bao gồm bộ xả, không gồm ống thải chữ P
Tính năng vòi chậu nóng lạnh Toto TLS01304V
- Thiết kế hiện đại hài hòa với dòng sản phẩm LB Series
- Lớp mạ bền vững với thời gian
- Thân van bằng đồng thau
- Van đĩa bằng sứ chống bám cặn bẩn giúp khóa nước hoàn toàn
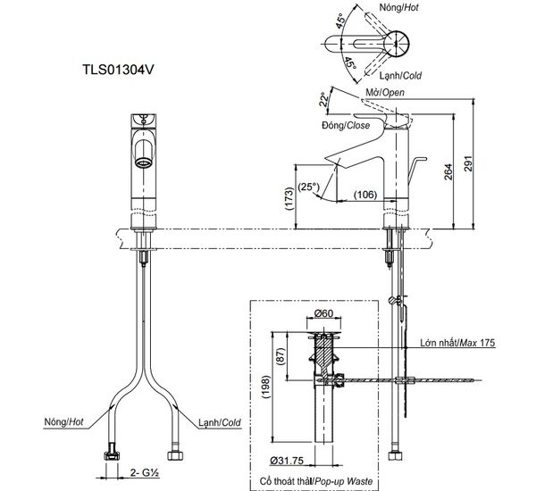
Bản vẽ kỹ thuật vòi chậu nóng lạnh Toto TLS01304V
